21500 кг
6750 х 2150 х 3450 мм
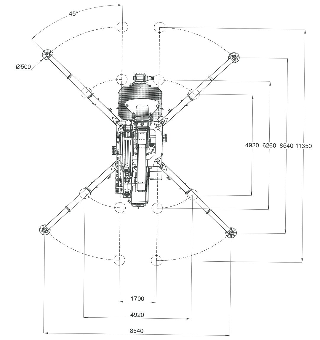
31.8 м
34.5 м
Сроки и стоимость доставки оборудования складывается из нескольких факторов, таких как наличие на складе Арлифт, наличие на складе поставщика, конечный пункт доставки. Всю информацию необходимо уточнять перед покупкой.
Безналичным расчетом для юридических лиц.
Стоимость и сроки доставки рассчитываются отдельно и зависят от региона и страны, а также наличия нужного количества товара на складе. Точную стоимость и сроки поставки уточняйте перед арендой или покупкой.
Для срочных заказов в случае аренды оборудования возможна доставка день в день.
В остальных случаях доставка по городу осуществляется не ранее, чем на следующий день после оформления заказа и при наличии товара на складе. В случае безналичной оплаты доставка осуществляется на следующий день после того, как деньги поступили на расчетный счет компании.
Стоимость и сроки доставки рассчитываются отдельно и зависят от региона и страны, а также наличия нужного количества товара на складе. Точную стоимость и сроки поставки уточняйте перед арендой или покупкой.
Решаемые задачи
Функциональные преимущества
Подобные модели
Купить Мини-кран Jekko JF990 и другую надежную спецтехнику от ведущих производителей в Перми — для эффективного решения строительных, монтажных и промышленных задач.
Подберем технику под ваши задачи и обеспечим сервис, на который можно положиться. Гарантийное и послегарантийное обслуживание проводит собственная техническая служба ARLIFT: специалисты обучаются на заводах производителей, запчасти и расходники всегда в наличии, техподдержка 24/7.
Доставка от 1 дня в Перми, по всей России и в странах СНГ — и персональный менеджер на каждом этапе сделки.
Как купить технику
- Оставьте заявку через короткую форму или по телефону 8 (800) 550 59 68
- Менеджер уточнит детали, подберет технику и рассчитает стоимость с доставкой на объект или с бесплатным самовывозом
- Заключаем договор и выставляем счет
- После оплаты готовим технику к самовывозу или доставим сами в согласованные сроки
